Maretron 0-500 PSI Transducer
Maretron 0-500 PSI Transducer Product Description
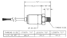
Maretron Fluid Pressure Sensor Transducers work with the Maretron FMP100 which will adapt up to six pressure Transducers to the NMEA 2000 networkPressure Transducer Mechanical Drawing
|
Pressure Transducer Specifications Part Number | Range | Accuracy | Type |
| PT-0-3PSI-01 | 0 to 3 PSI (0.21 bar) | ± 2% Full Scale | Gauge |
| PT-0-5PSI-01 | 0 to 5 PSI (0.34 bar) | ± 2% Full Scale | Gauge |
| PT-0-10PSI-01 | 0 to 10 PSI (0.69 bar) | ± 2% Full Scale | Gauge |
| PT-0-50PSI-01 | 0 to 50 PSI (3.45 bar) | ± 1% Full Scale | Gauge |
| PT-0-100PSI-01 | 0 to 100 PSI (6.89 bar) | ± 0.5% Full Scale | Gauge |
| PT-0-500PSI-01 | 0 to 500 PSI (34.47 bar) | ± 0.5% Full Scale | Absolute |
| PT-0-3000PSI-01 | 0 to 3000 PSI (206.84 bar) | ± 0.5% Full Scale | Absolute |
| Specification | Value |
| Operating Temperature | -40°C to 105°C |
| Storage Temperature | -40°C to 105°C |
| Proof Pressure | 2.4 Full Scale |
| Burst Pressure | 2.4 Full Scale |
| Reverse Voltage Protection | ± 16V over 5 Minutes |
| Construction | 304L stainless steel |
| Pressure/Temperature Cycles | 0 to FS @ 8Hz; and ?40°C to 105°C for > 1.8x106 cycles |
| Thermal Shock | 105°C to ?40°C, 0.5 hr soaks at Temp. (2s Transfer) for 300 cycles |
| Vibration | 100 to 2000 Hz, 20g Sinusoidal, 3 Axes for 144 hours |
| EMC Compatibility | 10 Volts/meter per EN 61000-4-3 |
| Humidity | 85°C and 90% to 95% R. H. for 250 hours |
| Weight | 85g |
Compatible Fluids / Gases:
- Refrigerant
- Motor Oil
- Diesel
- Hydraulic Fluid
- Brake Fluid
- Water
- Waste Water
- Hydrogen
- Nitrogen
- Air
Operating Temperature:
- -5°C to 60°C
Media Temperature:
- -40°C to 125°C
Construction:
- 1.4301 (AISI304) Housing
- 1.4542 (AISI630) Pressure Connection
- 1.4542 (AISI630) Sensor
Cable:
- IP67, PVC
Cable Length:
- 3.28 feet (1.0m)
Vibration:
- 15 g RMS (20 – 2000 Hz)
- 25 g sin (80 – 2000 Hz)
- 1 oct./min, (1x @ 25°C)
Shock:
- 50 g/11 ms
EMC Compatibility:
- EN 61000-6-3
- EN 61000-6-2
Humidity:
- Max. 95% relative
Weight:
- 50g (1.8 oz)
Buy with the best price Maretron 0-500 PSI Transducer for only $170 from NVN Marine! Same day shipping before 3pm.
Maretron 0-500 PSI Transducer Technical Specifications
| Type: | |
|---|---|
| Vendor: |
Maretron |
| Weight: |
1.0 lb |
| Cable-Length: |
1 m (3.3') |
| Comm Method: |
Analog |
| Connector: |
Bare Wire |
| Country of Origin: |
China |
| Exterior Color: |
Silver |
| Product Installation: |
Maretron 0-500 PSI Transducer User Reviews
Maretron 0-500 PSI Transducer Shipping & Return
| Shipping Weight: |
1.0 lb |
|---|---|
| Box Sizes: |
1.00 (h) x 1.00 (w) x 1.00 (l) |
| Cubic Feet: |
1.0 |
| Returnable: |
Yes |
| USPS First Class: |
Yes |
| P65: |
Yes |
For detailed shipping policy please check our Shipping Policy and you can find our Return and Refund Policy here.




