Maretron 0-10 PSI Transducer
Maretron 0-10 PSI Transducer Product Description
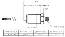
Maretron Fluid Pressure Sensor Transducers work with the Maretron FMP100 which will adapt up to six pressure Transducers to the NMEA 2000 networkPressure Transducer Mechanical Drawing
|
Pressure Transducer Specifications Part Number | Range | Accuracy | Type |
| PT-0-3PSI-01 | 0 to 3 PSI (0.21 bar) | ± 2% Full Scale | Gauge |
| PT-0-5PSI-01 | 0 to 5 PSI (0.34 bar) | ± 2% Full Scale | Gauge |
| PT-0-10PSI-01 | 0 to 10 PSI (0.69 bar) | ± 2% Full Scale | Gauge |
| PT-0-50PSI-01 | 0 to 50 PSI (3.45 bar) | ± 1% Full Scale | Gauge |
| PT-0-100PSI-01 | 0 to 100 PSI (6.89 bar) | ± 0.5% Full Scale | Gauge |
| PT-0-500PSI-01 | 0 to 500 PSI (34.47 bar) | ± 0.5% Full Scale | Absolute |
| PT-0-3000PSI-01 | 0 to 3000 PSI (206.84 bar) | ± 0.5% Full Scale | Absolute |
| Specification | Value |
| Operating Temperature | -40°C to 105°C |
| Storage Temperature | -40°C to 105°C |
| Proof Pressure | 2.4 Full Scale |
| Burst Pressure | 2.4 Full Scale |
| Reverse Voltage Protection | ± 16V over 5 Minutes |
| Construction | 304L stainless steel |
| Pressure/Temperature Cycles | 0 to FS @ 8Hz; and ?40°C to 105°C for > 1.8x106 cycles |
| Thermal Shock | 105°C to ?40°C, 0.5 hr soaks at Temp. (2s Transfer) for 300 cycles |
| Vibration | 100 to 2000 Hz, 20g Sinusoidal, 3 Axes for 144 hours |
| EMC Compatibility | 10 Volts/meter per EN 61000-4-3 |
| Humidity | 85°C and 90% to 95% R. H. for 250 hours |
| Weight | 85g |
Compatible Fluids / Gases:
- Refrigerant
- Motor Oil
- Diesel
- Hydraulic Fluid
- Brake Fluid
- Water
- Waste Water
- Hydrogen
- Nitrogen
- Air
Operating Temperature:
- -5°C to 60°C
Media Temperature:
- -25°C to 125°C
Over Pressure Max:
- 29 PSI (2 bar)
Construction:
- 1.4305 (303 Stainless Steel), Thick Film on Ceramic Al2O3 (96 %) Sensor, FKM 70 Sh O-Ring
Cable:
- IP67, PVC (cable gland PA6-3)
Cable Length:
- 4.9 feet (1.5m)
Vibration:
- 4g (10 – 2000 Hz)
Shock:
- 50 g/8 ms
EMC Compatibility:
- EN 61000-6-3
- EN 61000-6-2
Humidity Max:
- 95% relative
Weight:
- 110g
Buy with the best price Maretron 0-10 PSI Transducer for only $170 from NVN Marine! Same day shipping before 3pm.
Maretron 0-10 PSI Transducer Technical Specifications
| Type: | |
|---|---|
| Vendor: |
Maretron |
| Weight: |
1.0 lb |
| Cable-Length: |
1 m (3.3') |
| Comm Method: |
Analog |
| Connector: |
Bare Wire |
| Country of Origin: |
China |
| Exterior Color: |
Silver |
| Product Installation: |
Maretron 0-10 PSI Transducer User Reviews
Maretron 0-10 PSI Transducer Shipping & Return
| Shipping Weight: |
1.0 lb |
|---|---|
| Box Sizes: |
1.00 (h) x 1.00 (w) x 1.00 (l) |
| Cubic Feet: |
1.0 |
| Returnable: |
Yes |
| USPS First Class: |
Yes |
| P65: |
Yes |
For detailed shipping policy please check our Shipping Policy and you can find our Return and Refund Policy here.




